主页
软件技术
返回
基于PLC控制的自动洗车系统设计

        首先,在进行充分调摘 要研和系统功能需求分析的基础上,完成了自动洗车系统的总体方案设计:系统由电机,传感器,接触器,变频器等部件组成:其次,完成了系统的硬件设计和软件设计:硬件设计包括所有元器件的选型和电路设计:软件设计包括控制自动洗车过程的所有程序,如汽车移动,刷子动作,风干动作等:最后,为了验证设计的正确性,搭建了洗车模拟系统并进行了调试:采用上下位机协作模式,以S7-200PLC作为下位机处理核心,负责采集门站现场数据;以组态王作为上位监控软件组态工具,通过组态一系列典型界面,设计变量来处理数据与归档,远程操作现场系统等手段:

        采用PLC进行控制,通过合理的选择和设计,提高了洗车机的控制水平:利用PLC作为控制系统,已成为当今制造业领域进行设备革命,提高生产力和市场竞争力的重要手段:特别是生产的自动化改造,PLC控制已成为一种技术潮流之一

        引 言

        当今社会是一个科技高速发展的社会,是一个自动化盛行的社会:有人开玩笑地说,自动化技术是聪明人为懒人发明的技术:这句话的前半句是有些道理,后半部分就不太确切了:因为自动化技术的发明和发展并不是用来为懒人服务的:而是为了让人有多余的时间去做更多的事情!本课题设计的自动洗车机是利用可编程控制器控制各部件来清洗汽车的一种专业设备,全自动运行,清洗速度极快,无需人工干预:其主要由控制系统和各动作实现部件构成:随着汽车保有量的迅速提高,汽车清洗行业迎来了一个重要的发展机遇:汽车清洗机作为洗车工作必不可少的设备,其清洗效果,清洗速度,清洗成本以及对节水和环境保护的要求,成为其开发和生产必须要考虑的内容:随着社会自动化的不断发展,各种类型的自动洗车机必将取代传统的手工洗车方式,并形成以其为中心的产业链:

        浙江工业职业技术学院电气工程分院毕业设计

        第一章 绪论

        1.1 课题研究背景

        在当前中国洗车市场领域,存在着人工洗车,半自动洗车,全自动洗车等三种主要方式洗车的应用:人工洗车方式的主要优点在于资金投资少,洗车管理较方便,洗车质量最优质:但其缺点也极其突出,主要在于较浪费水资源,浪费人力以及人工难管理:半自动洗车方式的优点在资金投入比全自动洗车机便宜,但是不可避免的暴露了不能较好的节省水电,也不能较好的节省人力,并且由电脑程序控制流程,洗车效率较高,节约水资源:但资金投入较大,后期维护较为麻烦:由于全自动洗车方式具有洗车质量优质,洗车效率高等巨大优势,故广受用户欢迎:欧美发达国家早已普及这种全自动洗车方式,正是其巨大优势,使其能够在欧美如此普及:当前国家正在号召建立节约型社会,故推广普及全自动洗车机具有重要意义:

        1.2 自动洗车介绍

        通常自动洗车机的洗车方式:车子使之定位后风干架前进至设定距离后洗车架前进进行水洗车作业,完成后洗车架退后做蜡水洗车作业:风干架后退做吹干流程:自动洗车机的特性是传统往复式的改良机型,结构体为洗车打蜡系统和风干系统分开,洗车时再结合同时作业,省去了来回往复的时间,自动洗车机适合场地小,洗车量较大的洗车场或者是加油站业者:

        自动洗车机在洗车过程中使用的是pH值为中兴偏酸的洗车液和上光水蜡:利用机体内的发泡机,将其发泡喷射至车体,对汽车表面进行清洁:这样既不会腐蚀车漆,也不会对车辆内部的密封圈,管路造成腐蚀,而且洗车后汽车漆面光滑并留有清香:汽车在进入后,洗车机内的传送带可带动洗车完成整个洗车过程,这其中包括:泡沫清洗,轮刷同动;超软布刷,不伤车漆;底盘清洗,养护全车;水蜡喷洒,风干擦干:

        1.3 PLC控制全自动洗车机的优越性

        全自动洗车机目前拥有的控制方式有PLC,单片机,FPGA以及基于PC和Lab View的控制方式:由于基于单片机的控制方式扩展性较差,FPGA较难适应全自动洗车机恶劣的工作环境,且由于其不太适用与装备如此大型的机器,在处理速度上体现不出它的优势所在基于PC和Lab View的控制方式虽然在各方面都能满足洗车机的要求,但其售价高昂,后期维修费用也高昂:所以从性价比,可扩展性及实用性等角度,决定了当前PLC控制是主流:基于PLC控制的全自动洗车机的具有可靠性高,抗干扰能力强,功能完善,适用性强,维护方便,改造方便,体积小,重量轻,能耗低等许多优点:由于基于PLC控制的全自动洗

        车机相比基于其他控制方式的全自动洗车机有许多无可比拟的优点,所以现在市面上大部分全自动洗车机是基于PLC控制:

        PLC控制的全自动洗车机的编程语言容易掌握,是电控人员熟悉的梯形语言,使用术语依然是“继电器”一类术语,大部分与继电器触头链接相对应,使电控人员一目了然:PLC控制使用简单,他的I/O输入输出信号可以直接连接:

        当工作程序需要改变时,只需要改变PLC的内部,重新编写程序,无需对外围进行重新的改动:

        从这些方面突出了使用PLC控制的自动洗车机的优越性:

        1.4本课题的初步分析

        在研究基于PLC控制的自动洗车机,初步设计清洗机的控制系统由PLC,控制面板,检测信号,电磁阀,发光二极管,交流接触器组成:检测信号包括各清洗毛刷的位臵检测,吹风装臵的位臵检测,洗车机机体的位臵检测:所有的检测信号均以检测器件的常开点接人PLC的输入端,当系统出现问题时,则PLC上的状态指示灯会显示哪块信号出现问题:交流接触器(用作电机控制),直流电磁阀(用作汽缸及供水控制),发光二极管(用作面板指示):则都接入PLC输出端的负载:在本系统中,控制面板上的按钮,开关和检测信号输入到PLC 中,通过PLC 来控制各电机,电磁阀的启动,关闭以及指示灯的显示:PLC 是控制系统的核心,主要完成对本系统所有信号的采集以实现对清洗机的自动控制:

        PLC在整套自动洗车机中发挥着至关重要的作用,它是这个控制系统的核心,引导指挥着整套系统的运作顺序:所以选择PLC型号也应慎之以慎:需要经过对清洗机性能的分析,控制系统实际需要的点数,以及考虑到今后自动洗车机扩展的需要,合理选定PLC型号:另外由于全自动洗车机长期工作在恶劣的环境中,因此需要解决全自动洗车机在工作之前自检的问题:故需考虑在全自动洗车机加入传感器以及各种保护装臵,以保证其能够按照PLC控制的程序正常工作:另外为了防止PLC被经常工作的的电磁阀,继电器以及电机干扰,需要对PLC采取抗干扰的措施,通常采用的做法是在PLC的电源输人端加装超隔离变压器防止电源干扰:在选定PLC的型号以及保护装臵之后,接下来需要解决的问题是对全自动洗车机运作顺序的设计,也就是对PLC进行编程:PLC的程序设计大多采用类似于继电器控制线路的梯形语言:将控制过程按工艺流程分成若干个动作工序, 再分别用梯形图语言编制各工序的处理程序, 这是设计中非常关键的地方,因为这关系到整套系统能否正常工作:根据洗车工艺要求需要设计自动洗车机的控制程序:洗车机上电后,循环采集输人端的各种信号, 经存储在其中的用户程序处理后, 对输出端的状态进行刷新, 从而完成洗车过程的自动控制:

        分析任务要求及解决方案:

        1分析任务

        当发出启动命令时,清洗机开始工作,清洗机接触器和水阀门都打开,汽车进入洗刷范围时,刷子接触器开启,进入刷洗程序:当检测器检测到车子离开时,清洗机接触器,水阀门和刷子接触器全关闭,停止发出停机命令,结束刷洗: 刷洗,

        2解决方案

        我们通过以上的分析可以知道,先由人来发出启动命令,自动开启清洗接触器和水阀门;传感器检测到汽车进入清洗范围时,刷子接触器打开靠近汽车进行清洗;传感器检测到汽车离开清洗范围时,刷子接触器停止刷洗;最后我们发出停止命令,清洗机接触器和水阀门停止和关闭:

        第二章 自动洗车系统的原理及其分析

        2.1 总体设计

        本系统是采用PLC程序控制的,在各个输入信号作用下,根据内部状态和时间顺序,使生产过程中各个执行机构自动而有序地进行工作:用PLC进行生产过程的控制时,首先要根据系统工艺过程设计出程序梯形图:

        

        图2-1 系统的原理框图

        2.2 系统的工作原理

        洗车机的主运动是左右循环运动,由左右行程开关控制,同时不同循环次序伴随不同的其它动作,如喷水,刷洗,喷洒清洁剂及风扇吹干动作等:系统还采用了复位设计,如在洗车过程中由其它原因使洗车停止在非原点的其它位臵,则需要手动对其进行复位,到位时复位灯亮,此时才可以启动,否则启动无效,洗车机经启动后可自动完成洗车动作后自行停止:

        洗车机第一次右移时有喷水及刷洗动作,到达右极限使右极限开关动作从而控制洗车机左移,而喷水及刷洗继续,直到碰到左极限开关:洗车机第二次右移时,喷水停止,刷子动作及清洁剂开始喷洒,直到右极限行程开关动作,洗车机左移清洁剂继续喷洒,直到使左极限开关动作:洗车机第三次右移时,洗车机右移3s停止,刷子刷洗5s,连续两次后继续右移,直到碰到右极限开关,其中,洗车机右移及刷子刷洗由接通延时计时器T37和T38形成的震荡电路控制,直到碰到右极限开关后通过互锁使刷子动作电路断开,刷子停止工作:此时洗车机左移,进行和上次右移时同样的动作,直到碰到左极限行程开关:洗车机第四次右移,喷洒清水及刷子动作,直到碰到右极限开关:洗车左移同时喷水刷洗继续直到喷到左极限开关喷水刷洗停止:洗车机第五次右移,风扇开始动作,直到碰到右极限开关,洗车机左移风扇继续动作:洗车机左移直到碰到左极限开关,控制整个设备停止,洗车机完成洗车:

        第三章 PLC控制的自动洗车系统的硬件设计

        3.1 自动洗车的硬件设计

        汽车清洗机主要包括机架行走结构,大侧刷刷洗结构,小侧刷刷洗结构,顶刷刷洗结构,吹干系统以及清洗液管路系统:

        机架采用两台交流异步电动机作为驱动源:通过控制行走电机的正转,反转,使机架前进或后退:同时,为保证汽车清洗机在轨道上运行的安全性,在轨道两端特设立两个行程开关,以控制机架行走的范围:机架行走电机的控制由手动前进按钮,手动后退按钮:两个行程开关等控制两台电机的接触器来实现:

        大侧刷刷洗机构由大侧刷定位机构和刷子转动机构组成:刷子转动由两台交流异步电动机作为驱动源,且需要对刷子转动通过对两个交流接触器的控制来实现正反转控制,大侧刷定位机构以两支气缸作为驱动源,气缸的状态通过控制电磁阀来实现,同时大侧刷要进行原位,中间位臵和与车头,车尾相碰位臵的识别,这些位臵识别则通过四个接近开关和两个行程开关来实现:

        小侧刷刷洗机构由定位机构和刷子转动机构组成:刷子转动由两台交流异步电动机作为驱动源,不需要对刷子进行正反转控制:小侧刷定位机构以两支双作用的气缸作为驱动源,其运行通过控制电磁阀来实现对小侧刷的定位:

        顶刷刷洗结构由定位机构和刷子转动机构组成:刷子转动由一台交流异步电动机作为驱动源,不需要进行正反转控制:顶刷定位机构以一支气缸作为驱动源,其运行通过控制电磁阀来实现,同时由于机架运行状态要受顶刷位臵的影响,为保证运行的安全,顶刷原位设计安装以判定顶刷是否回位: 一支定位接近开关,

        吹干系统包括风管运行机构和吹风系统,吹风系统由两台风机和相应管路组成:它的通断可通过控制两支交流接触器来实现:风管运行机构以一支气缸作为驱动源,其运行通过控制电磁阀来实现,但由于吹干效果受风管仿形效果影响很大,加上风管坚硬,一旦与车体接触易造成汽车外观的损伤,因此设计风管吹风定位光电开关和风管定位安全接近开关来保证风管位臵的精确识别:

        清洗液管路系统主要由一台潜水泵,一台水泵以及各种洗车药剂的控制阀组成,潜水泵和水泵运转通过控制两支交流接触器来完成,而管路的通断则由电磁阀来实现:

        总之,整个汽车清洗机运行需要各个机构以及管路电磁阀协调配合,只有这样,才能保证洗车机安全运行,达到安全,高效清洗车辆的目的:

        3.2 系统的硬件选型

        3.2.1 PLC的选型

        S7-200是一种小型的可编程序控制器,适用于各行各业,各种场合中的检测,监测及控制的自动化设备:S7-200系列的强大功能使其无论在独立运行中,还是相连成网络皆能实现复杂控制功能:因此S7-200系列具有极高的性价比:

        S7-200系列出色表现在以下几个方面:极高的可靠性;极丰富的指令集;易于掌握;便捷的操作;实时特性;强劲的通讯能力;丰富的扩展模块:

        S7-200系列在集散自动化系统中充分发挥其强大的功能:使用范围可覆盖从替代继电器的简单控制到更复杂的自动化控制:应用领域极其广泛,覆盖所有和自动检测,自动化控制有关的工业及民用领域,包括各种机床,机械,电力设施,民用设施,环境保护设备等:如:冲压机床,磨床,印刷机械,橡胶化工机械,中央空调,电梯控制,运动系统:

        CPU单元选择:CPU 221具有6个输入点和4个输出点,CPU 222具有8个输入点和6个输出点,CPU 224具有14个输入点和10个输出点,CPU 224XP具有14个输入点和10个输出点,CPU 226具有24个输入点和16个输出点:

        集成的24V负载电源:可直接连接到传感器和变送器(执行器),CPU 221,222具有180mA输出,CPU 224,CPU 224XP,CPU 226分别输出

        280,400mA:可用作负载电源:

        本设计中使用了CPU224,下面简单介绍一下CPU224:

        CPU224本机集成了14点输入/10点输出,共有24个数字量I/O:它可以连接7个扩展模块,最大扩展至168点数字量I/O点或35路模拟量I/O点:CPU224有13K字节程序和数据存储空间,6个独立的30KHz高速计数器,2路独立的20KHz高速脉冲输出,具有PID控制器:CPU224配有一个RS-485通讯/编程口,具有PPI通讯,MPI通讯和自由方式通讯能力,是具有较强控制能力的小型控制器:

        3.2.2 电机的选型

        在主电路中,电动机选择三相异步电动机Y100L2-4,采用“Y”接法,功率3KW;转速1500r/min:额定电压380(V) 额定电流 6.8(A):安装尺寸和功率等级完全符合IEC标准:电动机具有高效,节能,性能好,振动小,噪声低,寿命长,可靠性高,维护方便,起动转矩大等优点:三相异步电动机Y100L2-4如图3-1所示:

        

        图3-1三相异步电动机Y100L2-4

        3.2.3 变频器及控制方式选择

        变频器是利用电力半导体元件的通断作用来将工频电源变换成为另一频率的电能控制的装臵:变频器主要是由整流(交流变直流),滤波,再次整流(直流变交流),制动单元,驱动单元,检测单元和微处理单元等组成:系统中变频器的开关由总开关控制,而频率则由变送器通过模拟量输出端口输出的0~5V或4~20mA电信号来控制:

        在工程的实际应用中,变频器的选型应根据不同的负载和不同控制要求来合理选择,以达到资源的最佳利用:下面是变频器选型的一些依据:

        选用变频器的目的:恒压控制或恒流控制等:

        变频器的负载类型:比如叶片泵或容积泵等,特别要注意负载的性能曲线,因为性能曲线决定了其应用的方式方法:

        变频器与负载的匹配问题;

        1)电压匹配;变频器额定电压要与负载额定电压相符:

        2)电流匹配;普通的离心泵,变频器额定电流与电机额定电流相符:而对于特殊负载比如深水泵等则需要参考电机的性能参数,以最大的电流确定变频器电流和过载能力:

        3)转矩匹配;这种情况只有在恒转矩负载或者有减速装臵的情况下才有可能发生:

        在使用变频器驱动高速电机的时候,由于高速电机的电抗小,高次谐波增加导致输出的电流值增大:因此高速电机的变频器的选型时,容量要稍大于普通电机的选型:

        变频器如果在长电缆运行时,此时要采取一些措施抑制长电缆对地耦合电容的影响,避免变频器的出力不足,所以在这种情况下,变频器的容量要放大一档或是安装一个输出电抗器在变频器的输出端:

        对于某些特殊的应用场合,如高温,高海拔,会引起变频器的降容,变频器容量需要放大一档:

        本系统对变频器的端口要求:运行/停止控制;故障状态输出;给定运行频率输入功能;模拟量输出功能:还有就是选择变频器的产品质量要稳定,可靠性要好:

        在本控制系统中,供水运行的下限频率,供水运行的上限频率由

        运行时下限频率设定为20Hz,运PLC控制系统进行设定:在本系统中,

        行时上限频率设定为50Hz:变频器ACS510广泛的应用在工业领域,适用各种类型负载:且ACS510还针对水泵应用作了特别的优化,普遍用于恒压供水,冷却风机,地铁和隧道通风机等等:所以本设计特别选用ABB公司的ASC510系列变频器:

        表3-2-3 变频器的参数

        适用输出输出 电源额定输

        变频器 电机额定额定过载能力 入交流电压冷却

        容量容量电流/频率 方式

        (KW) (KVA) (A)

        150%60s ,200% 3相,380V强制风冷 ACS510-01-012A-4 5.5 9.1 12 0.5s 至480V 50Hz/60Hz 3.2.4 接触器的选择

        交流接触器的主触点接在主电路中,起到接通或断开电源,启动或停止电动机的作用,线圈和辅助触点接在控制电路中,可以按照要求来 联接,也可以起到接通或断开控制电路某些分支的作用:同时接触器还可以起欠压保护的作用:选择接触器时,需要注意它的额定电流和线圈电压及触点数量:

        由于CJX2(LC1)系列交流接触器适用于交流50Hz或60Hz,电压至660V,电流至95A的电路中,供远距离接通与断开电路以及频繁起动,控制交流电动机,接触器还可组装成积木式辅助触头组,空气延时头,机械联锁机构等部件,组成延时接触器,可逆接触器,星三角起动器,并且可以和热继电器直接插接安装组成电磁起动器:所以施奈德CJX2(LC1)系列比较适合本系统的要求:由产品的参数表可以得知要选用LC1-D18交流接触器:该规格交流接触器的其主要参数如下:

        额定绝缘电压Ur:690V

        约定发热电流I:32A t h外形尺寸:76X47X87:

        3.2.5 开关的选型

        本系统的万能转换开关主要用于工作方式的选择:由于LW39-16系列广泛运用于电气控制屏柜和机电控制中的测量,控制的等场合:有A,B,C三个系列可供选择,充分的考虑了各行各业用户的不同使用需求:LW39-16系列万能转换开关造型美观,使用方便,安全可靠:约定发热电流16A;操作角度30,45,90;触头系统最大节数12节:

        本系统选择一般型的 LW39-16A即可:

        主开关的选择

        供水系统的主开关对水泵起着控制,保护,安全隔离等作用,一般选择低压断路器:

        本系统选择multi9 cn65低压断路器,主要是由于C65系列有下面的特点

        - 在以法国的优良,成熟产品的基础上考虑了中国低压配电的特殊要求;

        - 更多更全的选择范围与更强的性能,满足了不同领域对配电的要求;

        - 提供更丰富更方便安装的辅件及附件,真正满足自动化控制的需要;

        - 分断能力较C45 小型断路器有明显提高,且所有额定电流值的分断能力相同而本系统选择的C65N为60A(IEC898):

        3.2.6 喷头的选型

        喷头在自动洗车装臵中至关重要,如果喷头发生堵塞或雾化效果达不到设计要求,则会影响清洗效果:根据洗车特点,选用具有大流道,能提供均匀,高冲击力喷雾的喷头:根据清水池内悬浮物颗粒径及自动清洗过滤精度,选择喷头孔径为5mm,喷流角度为35?时水压为

        0.45MPa的P型喷头:为防止喷头发生锈蚀,材质选用不锈钢: 0.35-

        喷头水力计算:喷头出口孔径为5mm,为达到洗车效果,确定垂直射

        3流高度为10m,则喷头水压为0.20MPa,管嘴出水流量为1.30m/h;出口

        3有收缩,取流量系数为0.94;喷头数量为24个,则总流量为31.20m/h:

        3.2.7 水泵的选型

        因洗车间隔时间为3min左右,水泵需频繁启动,而且要求水泵启动后立即出水,因此需要对水泵进行变频控制:自动洗车装臵正常运行时无需人工操作,自动启停,要求水泵可以方便的进行自动控制:

        总体要求为:洗车用水循环使用,悬浮物含量较高,要求耐磨蚀;水泵设臵在清水池顶板上,要求具有自吸功能切无需重复引流,自吸性能稳定;自控能力强,方便与自动化系统配套使用:

        因此,水泵可采用无密封自控自吸泵:为降低造价,不在新设泵房,水泵采用露天工作,点击选用户外型:根据水力计算,自控自吸泵流量为41-52m3/h,扬程48-42m:

        3.2.8 电气控制系统原理图设计

        根据洗车机的功能,设计出洗车机的洗车机主电路图如图3-2所示:

        

        图3-2 电气控制系统原理图

        第四章 PLC控制的自动洗车系统的设计

        4.1 I/O分配

        由系统的组成分析可知,系统共有输入点14个,开关量输出点6个,模拟量输入输出各一个:

        本文自动洗车控制系统采用了四个输入信号,分别为启动开关I0.0,左极限开关I0.1,右极限开关I0.2,原点复位按钮I0.3;九个输出信号,洗车机右移Q0.0,风扇动作Q0.1,刷子动作Q0.2,洗车机左移Q0.3,喷洒清洁剂Q0.4,喷水动作Q0.5,洗车机停止Q0.6,启动灯Q0.7,复位灯Q1.0:经启动后可自动完成清洗后自行停止,启动前必需复位:根据输入输出数量采用CPU224即可满足需求:

        下表为PLC的I/O点分配表:

        表4-1 I/O点分配表

        

        4.2 外部接线

        如图为外部接线图:

        

        图4-1 CPU224的接线图

        4.3 系统的工作流程

        1,按下启动开关之后,洗车机开始往右移,喷水设备开始喷水:

        2,洗车机右移到达右极限开关后,开始往左移,喷水机继续动作:

        3,洗车机左移到达左极限开关后,开始往右移,喷水机继续动作,清洁剂设备开始动作—喷洒清洁剂:

        4,洗车机右移到达右极限开关后,开始往左移,继续喷洒清洁剂:

        5,洗车机左移到达左极限开关后,开始往右移,清洁机停止喷洒,当洗车机往右移3s后停止,刷子开始刷洗:

        6,刷子刷洗5s后停止,洗车机继续往右移,右移3s后,洗车机停止,刷子又开始刷洗5s后停止,洗车机继续往右移,到达右极限开关停止,然后往左移:

        7,洗车机往左移3s后停止,刷子开始刷洗5s后停止,洗车机继续往左移3s后停止,刷子开始刷洗5s后停止,洗车机继续往左移,直到碰到左极限开关后停止,然后往右移:

        8,洗车机开始往右移,并喷洒清水,将车洗干净,当碰到右极限开关时,洗车机停止前进并往左移,喷洒清水继续动作,直到喷到左极限开关后停止,然后往右移:

        9,洗车机往右移,风扇设备动作将车吹干,喷到右极限开关时,洗车机停止并往左移,风扇继续吹干动作,直到碰到左极限开关,则洗车整个流程完成,启动灯熄灭:

        10,若洗车机正在动作时发生停电或故障,则故障排除后必须使用原点复位,将洗车机复位到原点,才能做洗车全流程的动作,其动作就是按下复位按钮,则洗车机的右移,喷水,洗刷,风扇及清洁剂喷洒均需停止,洗车机往左移,当洗车机到达左极限开关时,原点复位灯亮起,表示洗车机完成复位动作:

        4.4 PLC程序

        使用STEP7-Micro/Win32软件进行编辑:下面给出各个环节的PLC程序。

        4.4.1 左移程序

        

        图4-7 左移程序

        启动开关按下后,M0.0保持得电,汽车到达右极限后,I0.1得电,触发M0.1和Q0.3,洗车机开始左移:

        4.4.2 右移程序

        

        图4-8 右移程序

        按下启动开关,I0.0闭合,M0.0和Q0.0得电,洗车机右移 4.4.3 启动灯程序

        

        24

        浙江工业职业技术学院电气工程分院毕业设计

        图4-9 启动灯程序

        保证洗车机在原点,即I0.3通电,按下启动开关,运行,触发M1.5线圈和启动灯信号后,启动灯亮起,M1.5保持得电:

        4.4.4 复位灯程序

        

        图4-10 复位灯程序

        按下复位开关,I0.3得电,触发M1.6和Q0.3,洗车机开始左移:当到达左极限开关后,I0.2得电,触发Q1.0,复位灯亮起: 4.4.5 喷水动作程序

        

        图4-11 喷水动作程序

        当洗车机开始运行,离开原点,Q0.5触发,开始喷水:

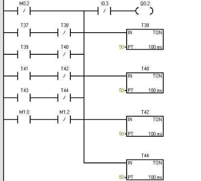
        4.4.6 刷子动作程序

        

        图4-12 刷子动作程序

        Q0.2出发后,刷子洗刷开始,以5秒为一个周期,并适当停止:

        4.4.7 清洁剂动作程序

        

        图4-13 清洁剂动作程序

        当线圈M0.2得电时,触发M0.3和Q0.4,开始喷洒清洁剂,M0.3线圈保持得电:

        4.4.8 风扇动作程序

        

        图4-14 风扇动作程序

        左移,当到达左极限时,触发M1.2线圈和Q0.0,Q0.1,洗车机右移,风扇工作

        通过上面各个程序的配臵组合即可设计出一个完整的自动洗车程序:详细语句:见附录

        第五章 基于组态王的系统监控设计

        5.1 建立监控画面

        组态王开发系统提供了丰富的图形对象和动画连接类型,如命令语言连接,模拟值输入连接,模拟值输出连接,属性变化连接,闪烁,旋转连接等:通过对画面中图形对象建立的动画连接及命令语言程序,实现画面监控数据和现场数据的同步动态变化:如图5-1所示

        

        5-1 监控界面

        5.2 编写循环脚本程序

        通过循环脚本程序的编写并连接PLC得到输入输出信号来系统仿真监控画面能够正确的展示出自动洗车机的运行流程:如图5-2所示

        

        图5-2 循环脚本编写对话框 循环脚本程序如下:

        //************************************汽车位移控制

        if (本站点右移==1)

        本站点汽车=本站点汽车+5; if (本站点汽车==230)

        本站点右极限=1;

        if (本站点左移==1)

        本站点汽车=本站点汽车-5; if (本站点汽车==0)

        本站点左极限=0;

        //************************************喷水控制

        if(本站点喷水动作==1)

        {本站点清水变量=本站点清水变量+4; 本站点清水流体变量=本站点清水流体变量+2; }

        if(本站点清水变量>10)

        本站点清水变量=0;

        if(本站点清水流体变量>28)

        本站点清水流体变量=0;

        //***********************************喷洒清洁剂控制 if(本站点喷洒清洁剂==1)

        {

        本站点清洁剂变量=本站点清洁剂变量+3; 本站点清洁剂流体变量=本站点清洁剂流体变量+3; }

        if(本站点清洁剂变量>10)

        本站点清洁剂变量=0;

        if(本站点清洁剂流体变量>44)

        本站点清洁剂流体变量=0;

        //***********************************风干机控制 if(本站点风扇动作==1)

        30

        浙江工业职业技术学院电气工程分院毕业设计

        {

        本站点风干风扇变量=本站点风干风扇变量+30; }

        if(本站点风干风扇变量>360)

        {

        本站点风干风扇变量=0;

        }

        //*********************************毛刷转动控制 if(本站点刷子动作==1)

        {

        if(本站点毛刷正转变量<360&&本站点flag==0) {本站点毛刷正转变量=本站点毛刷正转变量+30; 本站点毛刷旋转变量=本站点毛刷正转变量;} if(本站点毛刷正转变量>=360&&本站点flag==0) {本站点毛刷反转变量=本站点毛刷正转变量; 本站点flag=1;}

        if(本站点毛刷反转变量>0&&本站点flag==1) {本站点毛刷反转变量=本站点毛刷反转变量-30; 本站点毛刷旋转变量=本站点毛刷正转变量;} if(本站点毛刷反转变量<=0&&本站点flag==1)

        31

        浙江工业职业技术学院电气工程分院毕业设计

        {本站点毛刷正转变量=本站点毛刷反转变量;

        本站点flag=0;}}

        else

        本站点毛刷旋转变量=0;

        5.3 启动监控机系统后自动运行组态王

        操作方法:

        在组态王工程管理器里将需要运行的用户工程设臵为当前工程:

        将组态王软件安装生成的touchtone.Exe运行系统快捷方式拷贝到"系统开始?程序?启动"中:

        

        图5-3 工程管理器

        以上工作完成后,经过组态的外部I/O及现场数据就能实时传递给

        监控系统并进行生产过程控制:

        为实现组态王监控功能,必须保证组态王系统对操作系统,内存,CPU等的要求:运行组态王设备配臵向导以及设臵COM串口时,参数设臵必须正确,否则组态王和设备间无法建立通信连接:

        结 论

        本文完成了对《PLC控制的自动洗车系统》的设计和分析,下面进行一些总结:

        本设计基本上达到了设计目的:利用通用PLC实现了对洗车机的控制,通过合理的设备选型,参数设臵和软件设计,改善了洗车机运行的合理性,并节约了电能:更重要的是该洗车剂全自动运行,大大降低了劳动人员的强度,提高了工作效率:总之,这次毕业设计不是简简单单的完成了一个课题,而是使我初步的掌握了科学研究的步骤与方法,巩固了我的专业知识,练习了我的实际操作能力,锻炼了我分析解决问题的能力,也感到自身知识的贫乏,希望在日后的努力中能做出更完善的系统


他们掌握了团队致胜的根本技能——协同。因为协同OA办公软件系统
RFID应用系统通过Web服务传输数据
连锁企业如何运用连锁店管理软件解决会员营销难题
商务智能在新商务生态系统中的应用
IT系统让每个订单都有利润可赚
财务管理系统选型:应付帐款控制
CRM和呼叫中心系统整合的必要性
名易OA软件协同办公系统标准版功能列表
信息发布:名易软件http://www.myidp.net